Oracle System Handbook
- ISO 7.0 May 2018 Internal/Partner Edition
Home
|
Current Systems
|
Former STK Products
|
EOL Systems
|
Components
|
General Info
|
Search
|
Feedback
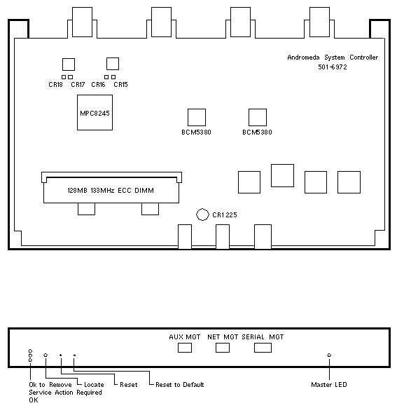
Chassis Monitoring Module
Hmm, you are using a very old browser. Click here to go directly to included content.
Option 5041A-Z
501-6972
541-0388
CMM PCB
CMM Assy/FRU
Sun Blade 8000 Codename:
Andromeda
Sun Blade 8000 P Codename:
Andromeda 14
References
Sun Blade 8000 P Modular System Documentation.
Copyright © 2018 Oracle and/or its affiliates. All rights reserved.
Feedback