Sun Microsystems, Inc.   Oracle System Handbook - ISO 7.0 May 2018 Internal/Partner Edition
   Home | Current Systems | Former STK Products | EOL Systems | Components | General Info | Search | Feedback

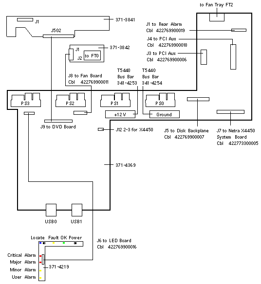
DC Power Distribution Board

371-4369 371-3841 371-3842 540-7621 371-4219
Power Distribution Board
411769900091
DVD Board
411769900021
Fan Board
411769900056
DVD/Fan Board FRU
371-3841 + 371-3842
DVD Tray + Cage
LED Board FRU
Cable 422769900016
LED Board 411764100048


Netra X4450 Codename: Argo

Netra X4450 Notes

  1. Cables are not assigned Sun part numbers.
  2. LED Assembly 371-4219 includes cable 422769900016 to J6.
  3. Kit 530-3999 includes the cables to J1, J2, J4, J5,and J8.
  4. Kit 530-4003 includes cable 422773300005 to J7 and SAS Cable 422773300003.

References

  1. Netra X4450 Service Manual, 820-4017.
  2. Netra X4450 Product Notes, 820-4018.

  Copyright © 2018 Oracle and/or its affiliates.  All rights reserved.
 Feedback